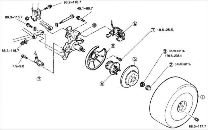
1 – колесо; 2 – пылезащитный колпачок; 3 – контргайка (заменить); 4 – суппорт; 5 – тормозной диск; 6 – ступица с подшипником; 7 – болт; 8 – тормозной щит; 9 – датчик частоты вращения колеса (автомобили, оборудованные антиблокировочной системой тормозов – ABS); 10 – ось ступицы.
Ступица заднего колеса
1 – ротор датчика ABS (автомобили, оборудованные антиблокировочной системой тормозов – ABS); 2 – болт ступицы; 3 – ступица с подшипником в сборе.
Снятие
1. Поднимите автомобиль и закрепите на опорах.
2. Выверните четыре гайки крепления колеса.
3. Снимите колесо.
4. Снимите пылезащитный колпачок, отогните буртик и отверните контргайку.
5. Выверните два болта и снимите суппорт заднего тормоза.
6. Снимите тормозной диск.
7. Снимите ступицу с подшипником.
8. Выверните болты и снимите тормозной щит.
9. Выверните болт и снимите датчик частоты вращения колеса.
10. Отсоедините две поперечных тяги и продольный рычаг от опоры задней ступицы.
11. Ослабьте и затем выверните два болта крепления стойки задней подвески к опоре ступицы.
12. Снимите опору ступицы из стойки задней подвески.
Установка
1. Проверьте все детали и, при необходимости, отремонтируйте или замените их.
2. Установка проводится в последовательности, обратной снятию, с учетом следующего.

3. Наверните новую гайку с буртиком и забейте буртик гайки в паз ступицы.
Момент затяжки: 176,6–235,4 Н·м
Разборка и сборка
1. Снимите со ступицы ротор датчика ABS.
2. Прессом с оправкой соответствующего диаметра выдавите из ступицы направляющие болты крепления колеса.
Внимание! Ступица колеса является также наружным кольцом подшипника заднего колеса, поэтому не разбирайте узел ступица/ подшипник.
3. Сборка проводится в последовательности, обратной разборке.
