Снятие
1. Слейте охлаждающую жидкость из системы охлаждения.
2. Снимите панель приборов.

3. Освободите зажим и отсоедините трос управления.

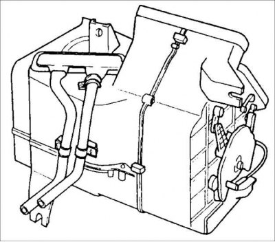
4. Отсоедините шланги отопителя от блока отопителя.

5. Снимите блок отопителя
Установка
Установка блока отопителя проводится в последовательности, обратной снятию.
Внимание!
- Перед установкой уплотнительных колец, смажьте их маслом;
- Не смазывайте соединительные гайки штуцеров компрессора кондиционера;
- При установке нового вентилятора или испарителя залейте 50 см³ свежего масла для компрессора через трубку высокого давления компрессора.
