Оглавление: Снятие ⇣ Установка ⇣
Снятие
1. Разрядите систему кондиционирования воздуха.
2. Снимите нижний кожух компрессора кондиционера.

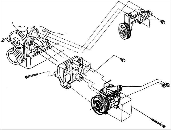
3. Снимите компрессор кондиционера, как показано на рисунке. Немедленно закройте все открытые отверстия и трубки для исключения попадания влаги из воздуха в систему кондиционирования воздуха.
Установка
1. Установка компрессора кондиционера проводится в последовательности, обратной снятию, с учетом следующего:
- залейте в компрессор свежее масло;
- перед установкой уплотнительных колец, смажьте их маслом;
- не смазывайте соединительные гайки штуцеров компрессора кондиционера;
- затяните входной и выходной шланги моментом затяжки 24 – 31 Н·м;
- отрегулируйте натяжение ремня привода компрессора кондиционера.
2. Установите нижний кожух компрессора кондиционера.
3. Заправьте хладагентом систему кондиционирования воздуха.
