
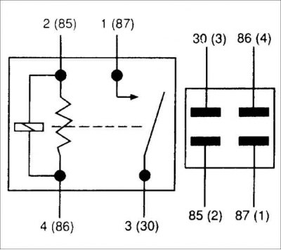
2. Дополнительными проводами подайте напряжение от аккумуляторной батареи к контактам 1 (85) и 4 (86) реле вентилятора конденсатора.

3. Проверьте, что контакты 1 (87) и 2 (30) реле вентилятора конденсатора замыкаются при подаче напряжения и размыкаются при отключении напряжения.
4. В противном случае, замените реле вентилятора конденсатора.
