Оглавление: Снятие ⇣ Установка ⇣
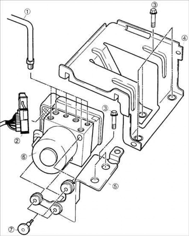
1 – тормозная трубка; 2 – разъем; 3 – болты; 4 – кронштейн блока предохранителей; 5 – кронштейн HCU; 6 – блок гидравлического управления (HCU); 7 – винт.
Снятие
1. Отсоедините провод от отрицательной клеммы аккумуляторной батареи.
2. Выверните три болта крепления кронштейна блока предохранителей и снимите блок предохранителей с блока гидравлического управления (HCU).
3. Снимите крышку разъема с блока. Потянув, освободите фиксатор и отсоедините разъем от блока гидравлического управления.

4. Накидным гаечным ключом отсоедините шесть тормозных трубок. Соберите протекшую тормозную жидкость. Временно закройте концы трубок пластмассовыми пробками, для исключения попадания в них загрязнений.
5. Накидным гаечным ключом выверните три болта крепления кронштейна блока гидравлического управления и снимите кронштейн.
6. Временно закройте отверстия в блоке пластмассовыми пробками, для исключения попадания в них загрязнений.
7. Храните блок гидравлического управления в защитном контейнере.
Установка
1. Установите кронштейн блока гидравлического управления на автомобиль и закрепите двумя болтами.
Момент затяжки: 19–25 Н·м
2. Установите блок гидравлического управления на место и закрепите тремя винтами.
Момент затяжки: 8–10 Н·м
3. Повторно подсоедините шесть тормозных трубок. Затяните соединительные гайки крепления трубок.
Момент затяжки: 12–22 Н·м
4. Подсоедините разъем к блоку гидравлического управления.
5. Установите главный кронштейн блока предохранителей и закрепите тремя болтами.
6. Удалите воздух из гидравлического контура тормозной системы.
7. Проверьте отсутствие утечек тормозной жидкости.
8. Подсоедините провод к отрицательной клемме аккумуляторной батареи.
