Снятие

1. Отсоедините провод от отрицательной клеммы аккумуляторной батареи.

2. Снимите реле вентилятора радиатора из блока предохранителей и реле в моторном отсеке.
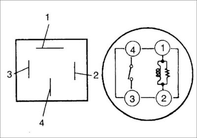
Проверка

1. Омметром проверьте сопротивление между контактами реле. Между контактами 3 и 4 проводимость должна отсутствовать, а между контактами 1 и 2 должна быть проводимость.
2. Дополнительными проводами соедините клеммы аккумуляторной батареи с контактами 1 и 2, при этом контакты 3 и 4 должны замкнуться и сопротивление между ними должно быть равно 0.
3. При отсутствии проводимости между соответствующими контактами при проверке, замените реле.
Установка

1. Установите реле вентилятора радиатора в блок предохранителей и реле в моторном отсеке.

2. Подсоедините провод к отрицательной клемме аккумуляторной батареи.
