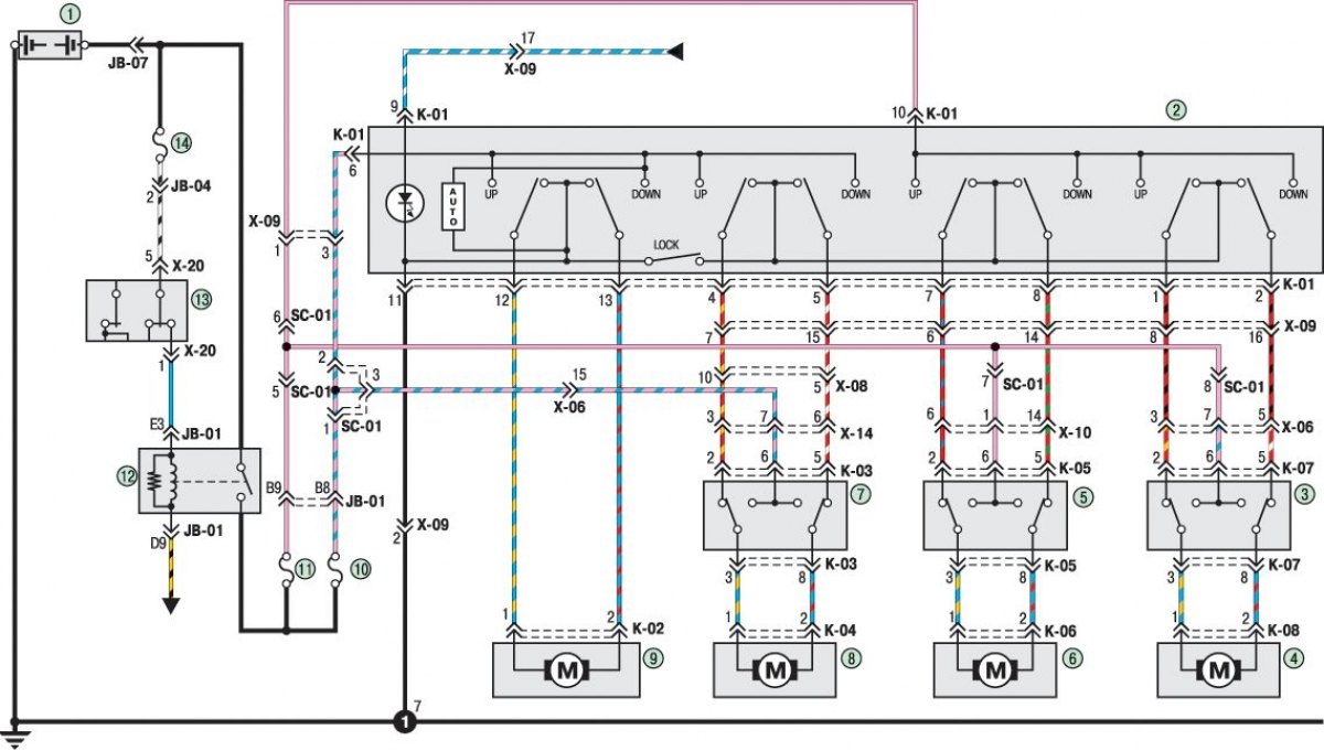
Соединения электростеклоподъемников

Открыть большую картинку в новой вкладке »
1 - аккумуляторная батарея; 2 - центральный блок управления электростеклоподъемниками; 3 - переключатель электростеклоподъемника правой задней двери; 4 - моторедуктор стеклоподъемника правой задней двери; 5 - переключатель электростеклоподъемника правой передней двери; 6 - моторедуктор стеклоподъемника правой передней двери; 7 - переключатель электростеклоподъемника левой задней двери; 8 - моторедуктор стеклоподъемника левой задней двери; 9 - моторедуктор стеклоподъемника правой передней двери; 10, 11 - предохранитель P/W (25 А); 12 - реле электростеклоподъемников; 13 - выключатель (замок) зажигания; 14 - плавкая вставка IG2 (30 A)
