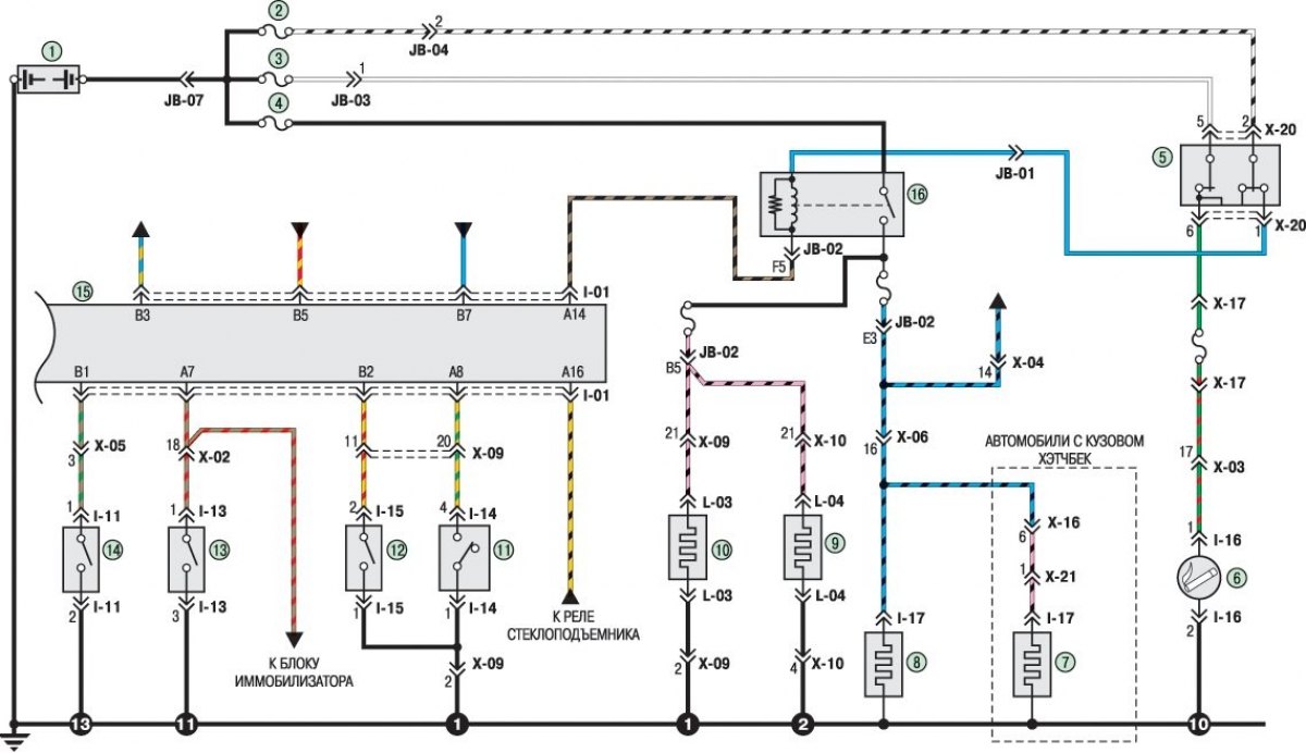
Соединения цепей блока ETWIS, прикуривателя, обогрева заднего стекла и боковых зеркал заднего вида

Открыть большую картинку в новой вкладке »
1 - аккумуляторная батарея; 2 - плавкая вставка IG2 (30 А); 3 - плавкая вставка IG1 (20 А); 4 - плавкая вставка DEF (30 А); 5 - выключатель (замок) зажигания; 6 - прикуриватель; 7, 8 - обогрев заднего стекла; 9 - нагревательный элемент правого зеркала заднего вида; 10 - нагревательный элемент левого зеркала заднего вида; 11 - концевой выключатель двери водителя; 12 - выключатель; 13 - выключатель обогрева заднего стекла; 14 - выключатель сигнализатора непристегнутого ремня безопасности; 15 - блок ETWIS; 16 - реле обогрева заднего стекла
