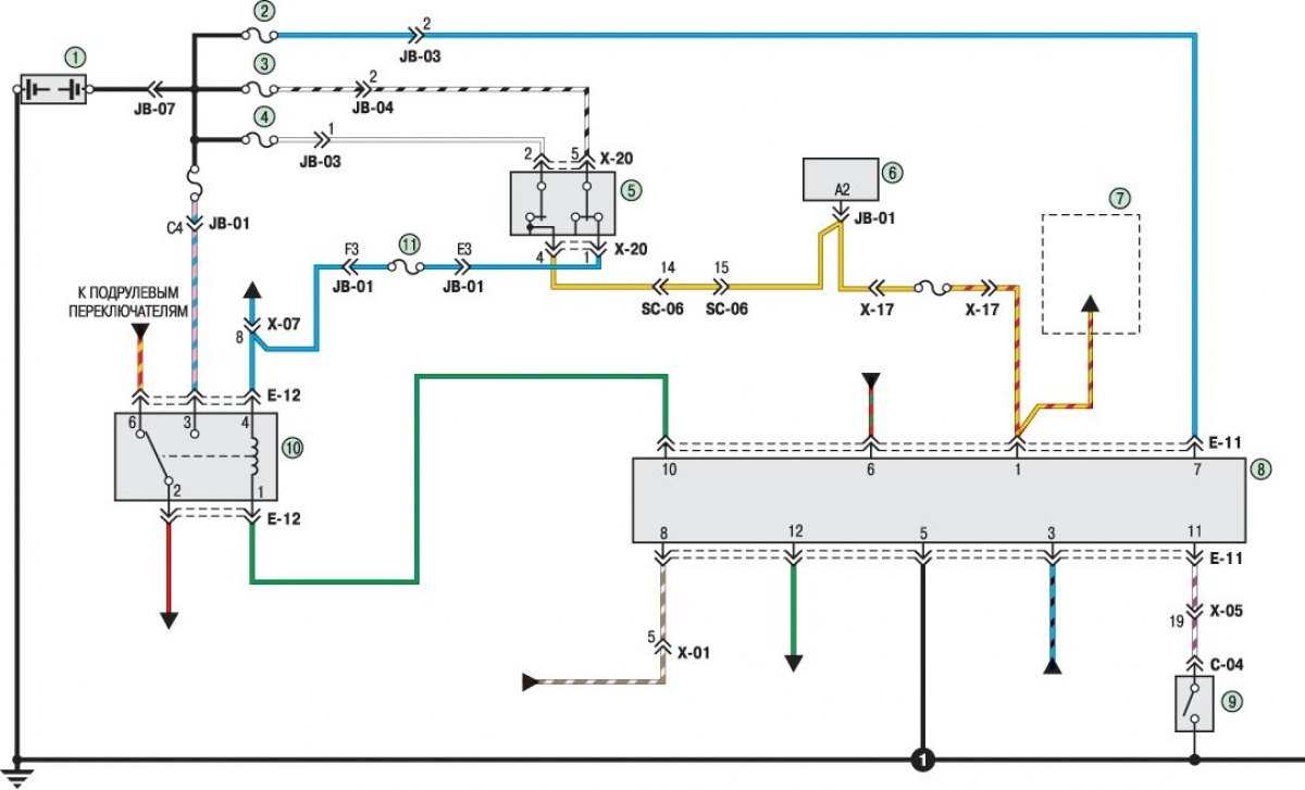
Соединения системы DRL

Открыть большую картинку в новой вкладке »
1 - аккумуляторная батарея; 2 - плавкая вставка TNS (30 А); 3 - плавкая вставка IG2 (30 А); 4 - плавкая вставка IG1 (20 А); 5 - выключатель (замок) зажигания; 6 - соединительный блок; 7 - блок иммобилизатора; 8 - электронный блок системы DRL; 9 - выключатель сигнальной лампы включения стояночного тормоза; 10 - реле системы DRL; 11 - плавкая вставка HEAD (25 A)
